
| Auteur(s) : | Nadeau et Gobeil, 1997; Nadeau et al., 1997a-b, 1998a-b |
| Âge : |
Archéen à Paléoprotérozoïque
|
| Stratotype : |
Aucun
|
| Région type : |
Région de la rivière aux Pékans (feuillet SNRC 23B07)
|
| Province géologique : | |
| Subdivision géologique : | |
| Lithologie : | Gneiss granulitique tacheté |
| Catégorie : |
Lithodémique
|
| Rang : |
Suite
|
| Statut : | Formel |
| Usage : | Actif |
Aucune
Historique
Clarke (1961, 1962, 1965, 1967, 1977) décrit une unité granulitique (gneiss granulitique, granulite, granulite altérée, gneiss tacheté, localement à biotite ou hypersthène) dans la région de la rivière aux Pékans et du Petit lac Manicouagan (partie est du feuillet SNRC 22N16, partie ouest du feuillet 22O13, coin SW du feuillet 23B04, feuillets 23B06 et 23B07). Ces roches sont considérées comme les plus vieilles roches de la région. À la même époque, Franconi et al., (1971, 1975) décrivent du gneiss charnockitique au faciès des granulites dans le feuillet 22O13. Cette unité n’est cependant pas différenciée d’autres unités de gneiss charnockitique situées plus au sud. Dans les travaux de compilation du Ministère, l’unité est décrite comme du gneiss tacheté correspondant à de la granulite à hypersthène. Cette roche archéenne, rétromorphosée au faciès des amphibolites, est assignée au Complexe d’Ashuanipi, puis au Domaine d’Ashuanipi (Nadeau et Gobeil, 1997; Nadeau et al., 1997a-b, 1998a-b). L’unité est alors associée à la Province du Supérieur, même si elle est géographiquement située au sud du Front de Grenville. Dans la cadre de la rédaction de cette fiche stratigraphique, l’unité est rattachée à la Province de Grenville et renommée « Suite granulitique de Pékans » afin de se conformer au Code stratigraphique nord-américain (NACSN, 1983, 1986, 2005, 2021). Le nom fait référence à la rivière aux Pékans qui traverse les feuillets 23B06 et 23B07.
Description

La Suite granulitique de Pékans est constituée de gneiss tacheté granulitique archéen rétromorphosé au faciès des amphibolites (Clarke, 1961, 1962, 1965, 1967, 1977; Nadeau et Gobeil, 1997; Nadeau et al., 1997a-b, 1998a-b). Ce gneiss est caractérisé par une patine tachetée représentant des amas de biotite, de grenat et de matériel quartzo-feldspathique secondaire à grain fin mêlé aux grains primaires plus grossiers (Clarke, 1977). La roche la moins altérée est brun pâle avec une surface d’altération rouille et une texture granoblastique litée (Clarke, 1967, 1977). Le quartz a un reflet bleu ou gris et le feldspath est beige. Dans les couches mafiques, les cœurs de hornblende et de pyroxène sont entourés et remplacés par du grenat et de la biotite à grain fin. Certains affleurements laissent voir des lentilles de pyroxène d’une tentaine de centimètres (Clarke, 1967). Ces roches correspondent à la granulite archéenne qui forme le socle de certains secteurs de la Fosse du Labrador, au nord du Front de Grenville (Clarke, 1967, 1977).
Dans la majeure partie de la Suite granulitique de Pékans, la granulite a été affectée par le métamorphisme grenvillien : le pyroxène primaire (hypersthène) et la texture granoblastique ont été oblitérés et la roche qui en résulte est un gneiss à patine d’altération rouille avec des taches de minéraux ferromagnésiens (biotite et grenat) à grain fin, dans une matrice généralement désorganisée (Clarke, 1967, 1977). De minces couches (~5 cm) déformées de quartz et de feldspath sont communes et c’est au voisinage de ces couches que les petites taches de minéraux ferromagnésiens sont le plus visibles. Le matériel quartzo-feldspathique qui coupe la roche constitue jusqu’à 15 % de la plupart des affleurements, et celui-ci enveloppe complètement des blocs de granulite par endroits (Clarke, 1967). Deux types de feldspath sont observés : un plagioclase, variant de chamois à gris pâle, et du microcline. Par endroits, du grenat est noté au contact avec les couches quartzo-feldspathiques. Une schistosité secondaire coupe communément le rubannement minéralogique (Clarke, 1977). De petits plis sont associés à la schistosité et l’allongement des amas ferromagnésiens et des grains de quartz, disposés parallèlement aux axes de ces plis, sont caractéristiques de la roche.


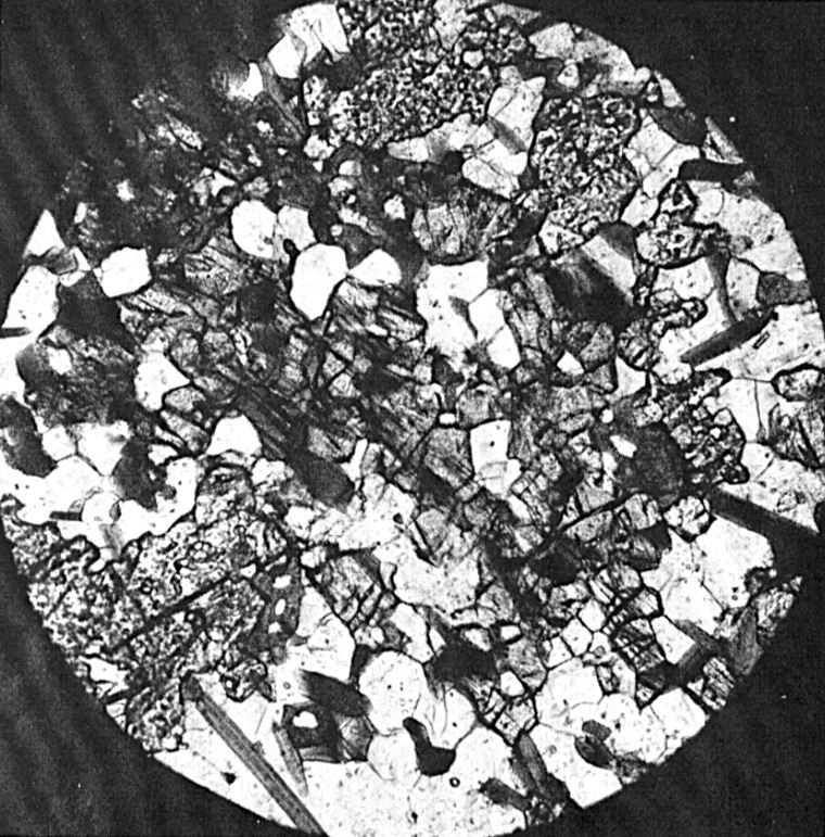
En lame mince, le gneiss tacheté contient typiquement 9 à 25 % de quartz, 40 à 55 % de plagioclase (An25-32), 0 à 8 % de microcline, 6 à 25 % de biotite brun-rouge, 0 à 3 % d’hypersthène, 0 à 10 % de hornblende, 2 à 10 % de grenat ainsi que des traces d’apatite, de magnétite, de zircon et de titanite (Clarke, 1967, 1977). Localement, on observe de l’augite, de la pyrite et de l’épidote. La texture tachetée résulte de l’association de deux générations de minéraux, primaires et secondaires. Les réactions contrôlant cette altération impliquent un gain en eau et une perte en Ca (la composante anorthite) dans les roches lors du passage du faciès des granulites à celui des amphibolites. Des minéraux primaires plus grossiers (0,8 mm; plagioclase, quartz, biotite, hornblende, hypersthène et rarement clinopyroxène) sont entourés et variablement remplacés par une mosaïque secondaire plus finement grenue de quartz, de plagioclase myrmékitique, de biotite et de grenat. Le réarrangement est incomplet et la roche a une apparence désordonnée. Dans certains échantillons, une auréole de grenat entoure les agrégats de minéraux secondaires. Ces agrégats indiquent probablement l’emplacement de cristaux de pyroxène pseudomorphosés; de fait, dans certains échantillons, des reliques de pyroxène (hypersthène fortement pléochroïque) sont présentes dans les agrégats. Le plagioclase primaire est parsemé de paillettes de biotite orientées et de gouttelettes de quartz. En général, il montre à la fois des macles de l’albite et du péricline. La hornblende contient des veinules de fine chlorite brune et de goéthite. Une proportion mineure de biotite est soit altérée en chlorite et rutile, soit lessivée. Dans les roches à forte schistosité, la hornblende et la biotite primaires s’orientent parallèlement aux plans de foliation et sont coupées par la biotite secondaire à grain fin, disposée dans le plan de schistosité. Contrairement aux minéraux primaires, les minéraux secondaires sont frais et sans inclusions. Avec la progression de la recristallisation, la texture tachetée instable est oblitérée et la roche devient un gneiss uniformément folié.
Un groupe d’échantillons de granulite, de granulite altérée et de gneiss a été analysé par Clarke (1967) dans le but de découvrir s’il existait ou non une différence notable entre les divers types de gneiss de la région (feuillets 23B06 et 23B07), et dans le but de connaître les changements chimiques qui accompagnent l’altération de la granulite. Le principal changement qui provoque et accompagne la rétromorphose de la granulite est l’addition d’eau, mais il n’existe pas de différence chimique majeure entre la granulite de l’Archéen (Suite granulitique de Pékans) et le gneiss migmatisé sus-jacent (Formation de Katsao).
Épaisseur et distribution
La Suite granulitique de Pékans forme des masses isolées de quelques mètres à une quinzaine de kilomètres de diamètre et de forme irrégulière, dans la région à l’ouest et au NW du Petit lac Manicouagan (partie est du feuillets 22N16, partie ouest du feuillet 22O13, coins SW et SW des feuillets 23B04 et 23C01, respectivement) et de la rivière aux Pékans (coin NW du feuillet 23B02, feuillets 23B06 et 23B07). La roche granulitique est assez résistante à l’érosion et forme généralement des collines dans le paysage (Clarke, 1967).
Datation
Aucune.
Relations stratigraphiques
La Suite granulitique de Pékans est surmontée de la Formation de Katsao (Clarke, 1961, 1962, 1965, 1967, 1977). Elle est aussi localement en contact avec d’autres formations métasédimentaires du Groupe de Gagnon, soit les formations de Nault et de Duley. Au SW, elle est coupée par la Suite intrusive de Shabogamo.
Paléontologie
Ne s’applique pas.
Références
Publications accessibles dans SIGÉOM Examine
CLARKE, P.J., 1961. PRELIMINARY REPORT ON GRAS LAKE AREA, SAGUENAY COUNTY. MRN; RP 453(A), 11 pages, 1 plan.
CLARKE, P.J., 1961. RAPPORT PRÉLIMINAIRE SUR LA RÉGION DU LAC GRAS, COMTÉ DE SAGUENAY. MRN; RP 453, 14 pages, 1 plan.
CLARKE, P.J., 1962. PRELIMINARY REPORT ON FELIX LAKE AREA, SAGUENAY COUNTY. MRN; RP 491(A), 10 pages, 1 plan.
CLARKE, P.J., 1962. RAPPORT PRÉLIMINAIRE SUR LA RÉGION DU LAC FELIX, COMTE DE SAGUENAY. MRN; RP 491, 14 pages, 1 plan.
CLARKE, P.J., 1965. GÉOLOGIE DE LA RÉGION DU LAC DES SILICATES, COMTÉ DE SAGUENAY. MRN; RP 539, 18 pages, 1 plan.
CLARKE, P.J., 1965. PRELIMINARY REPORT, GEOLOGY OF SILICATES LAKE AREA, SAGUENAY COUNTY. MRN; RP 539(A), 17 pages, 1 plan.
CLARKE, P.J., 1967. GRAS LAKE – FELIX LAKE AREA, SAGUENAY COUNTIES. MRN; RG 129(A), 88 pages, 2 plans.
CLARKE, P.J., 1967. RÉGION DES LACS GRAS ET FÉLIX, COMTÉ DE SAGUENAY. MRN; RG 129, 93 pages, 2 plans.
CLARKE, P.J., 1977. Région de Gagnon. MRN; RG 178, 89 pages, 2 plans.
FRANCONI, A., LAURIN, A.F., SHARMA, K.N.M., 1971. GÉOLOGIE DE LA RÉGION DES RIVIÈRES BERSIMIS, PAPINACHOIS, AUX OUTARDES, MANICOUAGAN, SAINTE-MARGUERITE ET MOISIE (COMTÉ DE SAGUENAY) : PROJET GRENVILLE 1968-1969. MRN; DP 127, 138 pages, 4 plans.
FRANCONI, A., SHARMA, K.N.M., LAURIN, A.F., 1975. RÉGION DES RIVIÈRES BETSIAMITES (BERSIMIS) ET MOISIE (GRENVILLE, 1968-1969). MRN; RG 162, 165 pages, 6 plans.
NACSN, 1986. CODE STRATIGRAPHIQUE NORD-AMÉRICAIN. MERN. DV 86-02, 76 pages.
NADEAU, J., BILODEAU, C., GOBEIL, A., 1997a. Compilation géologique 1/50 000, 23B06 – LAC GRAS. In: MRNF, 2010. CARTE(S) GÉOLOGIQUE(S) DU SIGÉOM – feuillet 23B. CG SIGEOM23B, 16 plans.
NADEAU, J., BILODEAU, C., GOBEIL, A., 1997b. Compilation géologique 1/50 000, 23B07 – LAC FÉLIX. In: MRNF, 2010. CARTE(S) GÉOLOGIQUE(S) DU SIGÉOM – feuillet 23B. CG SIGEOM23B, 16 plans.
NADEAU, J., BILODEAU, C., GOBEIL, A., 1998a. Compilation géologique 1/50 000, 22N16 – LAC BARBEL. In: MRNF, 2010. CARTE(S) GÉOLOGIQUE(S) DU SIGÉOM – feuillet 22N. CG SIGEOM22N, 16 plans.
NADEAU, J., BILODEAU, C., GOBEIL, A., 1998b. Compilation géologique 1/50 000, 22O13 – PETIT LAC MANICOUAGAN. In : MRNF, 2010. CARTE(S) GÉOLOGIQUE(S) DU SIGÉOM – feuillet 22O. CG SIGEOM22O, 16 plans.
NADEAU, J., GOBEIL, A., 1997. Compilation géologique 1/50 000, 23B04 – LAC NORÉ. In: MRNF, 2010. CARTE(S) GÉOLOGIQUE(S) DU SIGÉOM – feuillet 23B. CG SIGEOM23B, 16 plans.
Autres publications
NORTH AMERICAN COMMISSION ON STRATIGRAPHIC NOMENCLATURE (NACSN), 1983. North American Stratigraphic Code. American Association of Petroleum Geologists Bulletin; Vol. 67, p. 841-875. http://archives.datapages.com/data/bulletns/1982-83/data/pg/0067/0005/0800/0841.htm
NORTH AMERICAN COMMISSION ON STRATIGRAPHIC NOMENCLATURE (NACSN), 2005. North American Stratigraphic Code. American Association of Petroleum Geologists Bulletin; Vol. 89, p. 1547-1591. http://dx.doi.org/10.1306/07050504129
NORTH AMERICAN COMMISSION ON STRATIGRAPHIC NOMENCLATURE (NACSN), 2021. North American Stratigraphic Code. Stratigraphy; Vol. 18, numéro 3, p. 153-204. https://ngmdb.usgs.gov/Geolex/resources/docs/NACSN_Code_2021.pdf
Citation suggérée
Ministère des Ressources naturelles et des Forêts (MRNF). Suite granulitique de Pékans. Lexique stratigraphique du Québec. https://gq.mines.gouv.qc.ca/lexique-stratigraphique/province-de-grenville/suite-granulitique-de-pekans [cité le jour mois année].
Collaborateurs
|
Première publication |
Céline Dupuis, géo., Ph. D. celine.dupuis@mrnf.gouv.qc.ca (rédaction) Philippe Pagé, géo., Ph. D. (coordination et lecture critique); Simon Auclair, géo., M. Sc. (révision linguistique); André Tremblay (montage HTML). |
