
Dernière modification :
| Auteur(s) : |
Cimon, 1998 (Faessler, 1945)
|
| Âge : |
Néoprotérozoïque
|
| Stratotype : |
Aucun
|
| Région type : |
Région de Sept-Îles (jonction des feuillets SNRC 22J01, 22J02, 22J07 et 22J08)
|
| Province géologique : | |
| Subdivision géologique : | |
| Lithologie : | Gabbro et troctolite |
| Catégorie : |
Lithodémique
|
| Rang : |
Lithodème
|
| Statut : | Formel |
| Usage : | Actif |
Aucune
Historique
Faessler (1945) est le premier à définir une unité d’anorthosite et de gabbro au nord de Sept-Îles (partie sud du feuillet SNRC 22J08), qu’il désigne « Série de Morin ». Directement à l’ouest (coin SE du feuillet 22J07), Anderson (1963) décrit également des roches anorthositiques et gabbroïques, sans toutefois les assigner à une unité spécifique. Une vingtaine d’années plus tard, Higgins et Doig (1981) distinguent différentes unités de roches anorthositiques et gabbroïques, mais aussi de granite, de syénite, de monzonite, de monzodiorite et de diorite sur les îles situées au sud de Sept-Îles (coin NW du feuillet 22J01; voir tableau ci-dessous). Dans les premiers travaux de compilation du Ministère couvrant la région (feuillet 22J01; Nadeau et Perreault, 1998), l’unité de roches anorthositiques et gabbroïques n’est cependant pas différenciée.
Cimon (1998) introduit le « Complexe de Sept-Îles » et le divise en différentes séries : la série inférieure, observée uniquement en forage, la série litée, la série transitionnelle et la série supérieure (voir tableau ci-dessous). Ces séries se composent de troctolite, de gabbro à olivine, de gabbro, de dunite et wherlite, de magnétitite, de nelsonite et de gabbro-nelsonite ainsi que d’anorthosite altérée. Les séries sont divisées en zones en fonction de la proportion des faciès lithologiques (voir figure au début du paragraphe). Une zone de bordure constituée majoritairement de gabbro à olivine massif est également définie. Sur la base d’une carte inédite produite par Cimon (1998), le Complexe de Sept-Îles est divisé en dix unités informelles dans les travaux de compilation subséquents du Ministère (feuillets 22J02, 22J07 et 22J08; Bilodeau et Gobeil, 2000a-c; voir tableau ci-dessous). Puisque les subdivisions de Cimon (1998) sont très détaillées, le lecteur est invité à consulter ses travaux.
De manière générale, Higgins (2005) et Namur et al. (2010, 2011) divisent les roches mafiques en séries de la même manière que Cimon (1998), sauf pour les roches observées sur les îles de la baie des Sept Îles. Ils modifient cependant le nom pour « Intrusion mafique de Sept-Îles » ou « Intrusion litée de Sept-Îles » (voir tableau ci-dessous). Ces auteurs précisent également les lithologies mafiques à felsiques situées sur les îles, ainsi que leurs relations génétiques avec l’intrusion elle-même. Ils incluent ces dernières dans trois unités distinctes, soit : la série supérieure de l’Intrusion mafique/litée de Sept-Îles, l’« intrusion de Pointe du Criard » et les « intrusions tardives de gabbro de Sept-Îles ». L’Intrusion mafique/litée de Sept-Îles, l’intrusion de Pointe du Criard et les intrusions tardives de gabbro de Sept-Îles sont combinées pour former la « Suite intrusive de Sept-Îles ».
Selon le Code stratigraphique nord-américain (NACSN, 1983, 1986, 2005, 2021, 2025), le rang de suite n’est cependant pas approprié, puisque toutes les lithologies sont spatialement adjacentes et appartiennent au même corps intrusif. Dans le cadre de la rédaction de cette fiche stratigraphique, le terme « Intrusion litée de Sept-Îles » est donc utilisé pour désigner l’ensemble de ces lithologies. L’intrusion est divisée en neuf unités informelles d’après les lithologies et la carte inédite de Cimon (1998), mais ces unités informelles sont légèrement remaniées afin de tenir compte de la séquence stratigraphique définie par Higgins (2005) et Namur et al. (2010, 2011), de la chronologique des événements ainsi que de l’évolution de notre compréhension. Il est bon de noter que les unités informelles ainsi définies ne correspondent pas exactement aux « séries » de Cimon (1998), de Higgins (2005) et de Namur et al. (2010, 2011) et que les deux terminologies sont conservées afin d’éviter qu’elle soient confondues. De plus, à la suite de la datation de l’Intrusion litée de Sept-Îles à 564 Ma (Higgins et van Breemen, 1998), l’âge de l’unité est passé de cambrien à néoprotérozoïque.
|
Unité actuelle |
Namur et al., 2010, 2011 (feuillets 22J01-22J02, 22J07-22J08) |
Higgins, 2005 (feuillets 22J01-22J02, 22J07-22J08) |
Bilodeau et Gobeil, 2000a-c (feuillets 22J02, 22J07-22J08) |
Cimon, 1998 (feuillets 22J01-22J02, 22J07-22J08) |
Nadeau et Perreault, 1998 (feuillet 22J01) |
Higgins and Doig, 1981 (feuillet 22J01 et partie est du feuillet 22J02) |
Anderson, 1963 (partie est du feuillet 22J07) |
Faessler, 1945 (feuillet 22J08) |
|---|---|---|---|---|---|---|---|---|
| nPsep1 | Zone de bordure de Sept-Îles : dolérite/microgabbro massif | Intrusion/zone de bordure de Sept-Îles : gabbro à olivine massif | Zone de bordure : gabbro à olivine massif | Anorthosite et anorthosite gabbroïque (4) | ||||
| nPsep2 | Série litée : alternance de troctolite, de troctolite à oxydes de Fe-Ti, de gabbro lité et de gabbro riche en apatite | Série litée : gabbro lité et troctolite | Csep1 : microgabbro à olivine
Csep8 : gabbro à olivine |
Série litée : zone gabbroïque (ZGA) : séquence homogène de gabbro à magnétite-ilménite (89 %), gabbro à olivine (6 %), troctolite (2 %), anorthosite altérée (3 %); zone cyclique (ZCY) : séquences répétitives de troctolite (10 %), gabbro à olivine (29 %), gabbro (37 %), anorthosite altérée (20 %), magnétitite à plagioclase (3 %); zone de gabbro-troctolite (ZGT) : troctolite (41 %), gabbro à olivine (39 %), gabbro (7 %), anorthosite altérée (6 %), magnétitite à plagioclase (4 %), dunite et wherlite (3 %) |
I3Ia : gabbro anorthositique, gabbro | Anorthosite et anorthosite gabbroïque (4) | Série de Morin : anorthosite, gabbro | |
| nPsep3 | Série litée : alternance de troctolite, de troctolite à oxydes de Fe-Ti, de gabbro lité et de gabbro riche en apatite | Série litée : gabbro lité et troctolite | Csep7 : troctolite |
Série litée : zone gabbroïque (ZGA); zone cyclique (ZCY); zone de gabbro-troctolite (ZGT) |
Anorthosite et anorthosite gabbroïque (4) | Série de Morin : anorthosite, gabbro | ||
| nPsep4 | Série litée : alternance de troctolite, de troctolite à oxydes de Fe-Ti, de gabbro lité et de gabbro riche en apatite | Série litée : zones riches en apatite | Csep3 : nelsonite | Série litée : zone critique (ZCR), sous-zone de gabbro-nelsonite | Anorthosite et anorthosite gabbroïque (4) | |||
| nPsep5 | Série litée : alternance de troctolite, de troctolite à oxydes de Fe-Ti, de gabbro lité et de gabbro riche en apatite | Niveaux de magnétitite | Csep2 : magnétitite | Série litée : zone critique (ZCR), sous-zone de magnétitite | Anorthosite et anorthosite gabbroïque (4) | Série de Morin : anorthosite, gabbro | ||
| nPsep6 | Csep4 : dunite
Csep5 : wehrlite |
Série litée : zone de gabbro-troctolite (ZGT) : troctolite (41 %), gabbro à olivine (39 %), gabbro (7 %), anorthosite altérée (6 %), magnétitite à plagioclase (4 %), dunite et wehrlite (3 %) | Anorthosite et anorthosite gabbroïque (4) | Série de Morin : anorthosite, gabbro | ||||
| nPsep7 | Série de bordure supérieure : anorthosite avec proportions mineures de leucotroctolite et leucogabbro | Série de bordure supérieure : leucogabbro, leuconorite, leucotroctolite, anorthosite, gabbro et monzogabbro |
Série transitionnelle : zone transitionnelle inférieure (ZTI) : séquence massive de gabbro et anorthosite; zone transitionnelle supérieure (ZTS) : troctolite et anorthosite troctolitique |
I3Ia : gabbro anorthositique, gabbro | Anorthosite, anorthosite gabbroïque, gabbro anorthositique | |||
| nPsep8 | Série supérieure : syénite et granite avec une proportion mineure de monzonite | Série supérieure : syénite et granite | Csep10 : granite, monzonite, syénite quartzifère | Série supérieure : séquences minces et enchevêtrées de monzogabbro, monzosyénite, diorite et syénite | I3Ia : gabbro anorthositique, gabbro | Granite
Gabbro, diorite |
||
| nPsep8a | Filon-couche de Pointe du Criard : dolérite, leucogabbro, syénite, granite | Intrusion de Pointe du Criard : syénite, leucogabbro, diabase | Csep10 : granite, monzonite, syénite quartzifère | Série supérieure | I3Ia : gabbro anorthositique, gabbro | Syénite, monzonite, monzodiorite | ||
| nPsep9 | Dykes de dolérite | Intrusions tardives de gabbro de Sept-Îles : diabase | Série supérieure | I3Ia : gabbro anorthositique, gabbro | Gabbro, diorite |
Note : Étant donné que les subdivisions de Cimon (1998), Higgins (2005) et Namur et al., (2010, 2011) ne correspondent pas exactement aux unités informelles actuelles, les lithologies en caractère gras dans le tableau sont celles qui correspondent le mieux aux lithologies des unités informelles.
Description
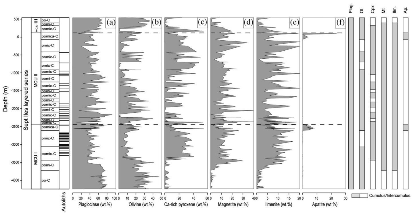
À partir de compositions lithologiques prédominantes, de l’apparition de nouveaux minéraux, de certaines textures caractéristiques et des variations cryptiques dans la composition de certains minéraux analysés à la microsonde et au microscope électronique à balayage, Cimon (1998) a subdivisé l’Intrusion litée de Sept-Îles en quatre séries superposées en étages. Celles-ci sont identifiées, de la base au sommet, comme la série inférieure, la série litée (nPsep2 à nPsep6), la série transitionnelle (nPsep7) et la série supérieure (nPsep8 et nPsep9). Les trois premières sont constituées d’un ensemble de roches mafiques à cumulats (troctolite, gabbro à olivine et gabbro), alors que la série supérieure s’est formée, selon cet auteur, à partir d’une matte résiduelle enrichie en silice et en potassium. Une enveloppe démarquant l’intrusion de l’encaissant grenvillien, identifiée comme la zone de bordure (nPsep1), fait aussi partie de l’intrusion et en constitue, en quelque sorte, la bordure de trempe.




La série inférieure a été observée uniquement en forage, sur une épaisseur de 640 m; sa puissance totale est inconnue (Cimon, 1998). Elle est composée de leucotroctolite (>70 %) et de leucogabbro à olivine, massifs et de granulométrie grossière, sans litage ni foliation magmatique. Le plagioclase parsemé d’aiguilles de rutile apparaît comme le seul minéral cumulus, alors que l’olivine et le clinopyroxène sont interstitiels (intercumulus) et prennent la forme de grands cristaux pœcilitiques atteignant localement plusieurs centimètres. Au contact du plagioclase, l’olivine et les minéraux opaques sont souvent entourés d’auréoles kélyphitiques d’orthopyroxène, de clinopyroxène et de hornblende, constituées de coquilles minces présentant une orientation cristallographique constante. Les oïkocrystaux d’olivine pœcilitique sont vert très foncé, couleur qui leur est conférée par la présence de nombreuses inclusions.
Le passage de la série inférieure à la série litée est progressif; ces deux séries constituent ensemble un premier cycle magmatique (Cimon, 1998). La série litée, de 2,8 km d’épaisseur, a été subdivisée par Cimon (1998) en cinq zones distinctes, de la base au sommet : la zone de troctolite porphyroïde, la zone de gabbro-troctolite, la zone cyclique, la zone gabbroïque et la zone critique. La série litée est dominée par du gabbro lité (voir nPsep2) et de la troctolite (voir nPsep3), avec cinq niveaux de ~5 m de magnétitite (voir nAsep5) (Namur et al., 2010). Des niveaux riches en apatite (voir nPsep4), chacun d’une épaisseur de ~150 m, se trouvent près de la base et dans la partie supérieure de cette série. Le niveau supérieur, soit la « zone critique », est dominé par la nelsonite (roche à magnétite-ilménite-apatite). L’ensemble des roches de la série litée est caractérisé par la disposition parallèle des minéraux planaires et par un dépôt en strates, dont l’effet est rehaussé par la concentration des minéraux les plus denses à la base (Cimon, 1998). La direction de la stratification suit le pourtour de l’intrusion, avec des pendages de 15 à 30° dirigés vers le centre. La magnétite et l’ilménite sont omniprésentes en phase cumulus ou intercumulus dans des proportions pouvant excéder 30 %. La proportion d’oxydes de fer et de titane présente dans l’ensemble de la série litée serait suffisante pour causer l’anomalie gravimétrique associée à l’Intrusion litée de Sept-Îles (Cimon, 1998; Namur et al., 2011). Une particularité de l’intrusion est l’omniprésence de spinelle alumineux zincifère en exsolution dans la magnétite et l’ilménite (Namur et al., 2011).
La zone de troctolite porphyroïde débute avec l’apparition des premières stratifications (Cimon, 1998). Plutôt occasionnelles à la base de la zone, les stratifications deviennent graduellement plus persistantes alors que les séquences massives de leucotroctolite s’estompent. Elle fait 620 m d’épaisseur et se compose de séquences leucocrates de troctolite (40 %), de gabbro à olivine (24 %), de granulométrie millimétrique, le tout truffé de grands cristaux centimétriques de plagioclase, conférant à ces roches leur nature porphyroïde. Les textures porphyroïdes observées à la base de la série litée indiquent la présence d’une proportion variable de plagioclase déjà présente dans le magma au moment de sa mise en place (Namur et al., 2011). Cependant, leur apport n’était pas suffisant pour empêcher un dépôt en couche et un arrangement parallèle des minéraux tabulaires. La zone de troctolite porphyroïde contient également du gabbro (15 %), de l’anorthosite altérée (15 %) et quelques minces niveaux de magnétitite (Cimon, 1998). Les profils de composition normative et des teneurs en éléments mineurs permettent de constater que cette zone est une séquence de transition caractérisée par la disparition de l’orthopyroxène, un appauvrissement graduel en plagioclase et en olivine et une augmentation graduelle en ilménite, en magnétite et en clinopyroxène (Cimon, 1998; Namur et al., 2011).
La zone de gabbro-troctolite, d’une épaisseur de 950 m, est constituée à 41 % de troctolite, à 39 % de gabbro à olivine et à 7 % de gabbro, le tout avec une proportion assez élevée d’ilménite et de magnétite (Cimon, 1998). Le reste est constitué de blocs d’anorthosite altérée (6 %), de magnétitite à plagioclase (4 %), de dunite et de wehrlite à magnétite, ilménite et plagioclase (3 %). Ces dernières sont les seules unités ultramafiques métriques répertoriées dans l’intrusion (nPsep6).
La zone cyclique a une puissance de 620 m et comprend quatre cycles constitués de séquences répétitives de troctolite (10 %), de gabbro à olivine (29 %) et de gabbro (37 %) associées à une proportion élevée d’anorthosite altérée (20 %). La magnétitite à plagioclase compte pour 3 % de la séquence. La zone gabbroïque forme une séquence très homogène de 600 m d’épaisseur constituée à 89 % de gabbro à magnétite-ilménite. Cette séquence est interrompue par quelques minces séquences de gabbro à olivine (6 %), de troctolite (2 %) et d’anorthosite altérée (3 %).
La zone critique fait partie de la série litée en raison de la présence de stratifications et de linéations minérales qui caractérisent en partie cette unité (Cimon, 1998). Elle est injectée à >50 % de gabbro à olivine et de troctolite massive, de granulométrie fine à moyenne et à texture polygonale. Ces roches sont probablement issues de nouvelles arrivées de magma distribuées en séquences lenticulaires aplaties dans le sens du litage magmatique. Elles sont communément constituées de faciès multiples qui varient en granulométrie et sont injectées de filonnets de pyroxène qui leur confère un aspect marbré. Leur épaisseur peut varier de quelques centimètres à plusieurs mètres. La zone critique a été subdivisée en quatre sous-zones. De la base au sommet, on trouve : la sous-zone de magnétitite (nPsep5), la sous-zone de nelsonite (nPsep4), la sous-zone de gabbro-nelsonite et la sous-zone de microtroctolite. Rappelons que les trois premières sous-zones sont injectées à >50 % de séquences de leucogabbro à olivine finement grenu et pauvre en apatite et en oxydes. C’est à l’intérieur de la zone critique que se situe la séquence identifiée depuis 1994 comme l’« unité à apatite de rivière des Rapides » (Cimon, 1995), désormais incluse dans l’unité nPsep4.
La série litée de Sept-Îles a cristallisé à partir d’un magma parent ferrobasaltique (Namur et al., 2010). La séquence de cristallisation dans la série litée débute par le plagioclase et l’olivine, suivis par la magnétite et l’ilménite, puis le pyroxène calcique et enfin l’apatite. Cette séquence de cristallisation est probablement contrôlée par la composition du magma parental, en particulier son contenu élevé en FeOt et en TiO2 et sa faible concentration en CaO, lesquels sont responsables de la saturation précoce des oxydes de Fe-Ti, avant celle du pyroxène calcique. Les modes minéraux affichent une cyclicité dans la série litée; ceci est particulièrement bien illustré par la présence de deux niveaux riches en apatite, l’un au milieu et l’autre dans la partie supérieure de cette série (Namur et al., 2010). Trois unités mégacycliques (UMC) ont donc été identifiées par ces auteurs dans la série litée. Chaque UMC présente la même succession d’assemblages de cumulats. L’UMC I montre une tendance de différenciation normale et ininterrompue de l’évolution minérale semblable à celle observée dans les petits complexes ignés mafiques lités. Cette tendance à la différenciation est interrompue vers le haut par deux grandes, et de nombreuses petites, inversions dans la composition des minéraux, résultant du réapprovisionnement de la chambre magmatique par un magma basaltique primitif non différencié. Un mélange intense entre le magma nouvellement injecté et le magma résident doit s’être produit pour tenir compte de l’évolution graduelle des compositions minérales dans les inversions. La disparition de l’apatite, du pyroxène calcique et, localement, des oxydes de Fe-Ti est associée à ces réapprovisionnements de la chambre magmatique. Les compositions minérales les plus évoluées de la série litée sont observées au sommet de l’UMC II.
Certains niveaux de la série litée contiennent jusqu’à 20 % de blocs (≤10 m) d’anorthosite altérée et d’autres roches riches en plagioclase (Cimon, 1998; Namur et al., 2010). Ces blocs contrastent fortement avec leur encaissant par leur couleur pâle, une granulométrie grossière, une texture poreuse, une faible densité, une texture massive (absence totale de déformation) et l’absence de linéation ou de litage magmatique. Le plagioclase est généralement blanc, contrairement au plagioclase noir que l’on voit ailleurs dans l’intrusion (Namur et al., 2010). Tous les minéraux ont été partiellement altérés en minéraux hydrothermaux de basse température, tels que l’épidote, la chlorite, la biotite, la hornblende, la séricite et le carbonate (Cimon, 1998; Namur et al., 2010). Les minéraux opaques montrent des formes squelettiques à l’intérieur desquelles l’ilménite a été remplacée par de la titanite. Ces blocs d’anorthosite sont considérés comme des autolithes, c.-à-d. des fragments du toit de l’intrusion qui ont coulé dans la chambre magmatique jusqu’au plancher où ils se sont accumulés (Namur et al., 2010). Les produits d’altération observés dans les blocs suggèrent qu’ils se sont formés à des niveaux très peu élevés; la circulation hydrothermale s’est sans doute produite sur le toit de l’intrusion pendant la solidification. Le fait que les blocs soient généralement massifs, contrairement aux roches anorthosiques qui affleurent et qui peuvent être litées, suggère que ces blocs provenaient d’une partie légèrement différente de l’intrusion, peut-être de plus loin vers le centre de l’intrusion, où les courants magmatiques latéraux étaient moins forts. Il est probable que le toit d’une intrusion comme celle-ci deviendrait instable pendant la solidification, d’autant plus que l’intrusion était probablement coupée par une faille du système de rift du Saint-Laurent.
Des dykes de microgabbro de 0,1 à 1 m d’épaisseur sont communs dans l’Intrusion litée de Sept-Îles (Namur et al., 2010, 2011). Ils présentent des assemblages minéraux similaires à ceux observés dans les roches mafiques de la zone de bordure (nPsep1), mais leur granulométrie est généralement plus fine, en particulier au niveau de leurs contacts périphériques (Namur et al., 2011). La granulométrie des minéraux diminue généralement du centre vers la marge des dykes, où des contacts vitreux peuvent être observés localement. Dans la série litée, ces dykes coupent généralement la stratification de cumulats à un angle élevé et à plongée fortement vers le sud. Dans la série de bordure supérieure (nPsep7) et la série supérieure (nPsep8), les dykes forment des essaims denses. De nombreux échantillons montrent une altération importante, résultant principalement en un remplacement hydrothermal du pyroxène calcique par de l’amphibole et en la cristallisation de minéraux carbonatés fibreux.

Des dykes et des amas fusiformes intermédiaires à felsiques à grain fin à moyen (1 à 5 mm) se rencontrent communément dans le gabbro riche en apatite (nPsep4) de la série litée (Namur et al., 2011). Ils sont dominés par du plagioclase antiperthitique subidiomorphe et zoné, mais contiennent par endroits de petits grains subidiomorphes de feldspath alcalin perthitique. Le feldspath alcalin est également présent localement sous la forme de bordures autour des grains de plagioclase. Le quartz est généralement absent ou en faible proportion (<5 %). Les minéraux ferromagnésiens sont dominés par du pyroxène calcique et des oxydes de Fe-Ti. L’amphibole est beaucoup plus abondante que dans les dykes de microgabbro et montre deux morphologies différentes. La première est représentée par une amphibole coronitique brune et fibreuse qui remplace le pyroxène calcique et l’orthopyroxène primaires. Des noyaux reliques de pyroxène sont régulièrement observés dans la partie centrale des grains. La seconde morphologie typique se présente sous la forme de petits grains xénomorphes séparés les uns des autres et bruns à légèrement verts. La biotite, l’apatite et le zircon sont des phases accessoires communes dans les dykes plus felsiques.
Intrusion litée de Sept-Îles 1 (nPsep1) : Gabbro à olivine de bordure


La partie affleurante de l’Intrusion litée de Sept-Îles est entourée d’une zone de bordure (≥20 m d’épaisseur) de roches mafiques massives à grain fin (microgabbro [dolérite dans le texte original]), représentant une discontinuité texturale abrupte entre le gabbro à grain grossier de la série litée (nPsep2) et le gneiss grenvillien encaissant (Cimon, 1998; Namur et al., 2010, 2011). La partie externe de la zone de bordure contient localement des blocs centimétriques à métriques de gneiss grenvillien partiellement fondu (Cimon, 1998; Namur et al., 2011). Les roches de la zone de bordure sont principalement composées de plagioclase, de pyroxène calcique et d’oxydes de Fe-Ti, avec une texture granulaire et une granulométrie fine généralement comprise entre 0,1 et 0,5 mm.
Le plagioclase est la phase la plus abondante (50 à 60 %), formant de petits grains orientés de manière aléatoire et grossièrement en forme de lattes (Namur et al., 2011). Les grains de plagioclase présentent communément une forte zonation normale et sont localement antiperthitiques. Le clinopyroxène calcique est le minéral ferromagnésien dominant, avec une proportion modale de >25 % localement. Il se présente sous la forme de grains tabulaires xénomorphes à subidiomorphes. Les oxydes de Fe-Ti sont omniprésents et forment des solutions solides 1: de magnétite-ulvöspinel et 2: d’ilménite-hématite, la première étant généralement plus abondante que la seconde. L’orthopyroxène et l’olivine sont des phases accessoires observées seulement dans quelques échantillons avec une proportion modale de <10 %. L’orthopyroxène est représenté par des grains tabulaires, tandis que l’olivine forme des grains arrondis xénomorphes. L’apatite est une phase mineure dans tous les échantillons et se présente sous la forme d’aiguilles rarement plus grandes que 300 µm. L’amphibole brune et la biotite sont largement répandues sous la forme de bordures autour du pyroxène calcique et des oxydes de Fe-Ti (Cimon, 1998; Namur et al., 2010, 2011). Des traces de quartz, de feldspath alcalin et de zircon ont été observées localement.
Intrusion litée de Sept-Îles 2 (nPsep2) : Gabbro
La majeure partie de la série litée est constituée de gabbro (nPsep2) et de troctolite (nPsep3) équigranulaires à hétérogranulaires et à grain moyen à grossier (0,1 à 25 mm) (Namur et al., 2010). Pour ces roches, l’origine de la stratification est compatible avec celle de cumulats. Le plagioclase, l’olivine, le pyroxène calcique, la magnétite, l’ilménite et l’apatite sont les minéraux les plus abondants, tandis que la pigeonite inversée, l’orthopyroxène, le feldspath potassique, le quartz, la biotite, l’amphibole et les sulfures de Fe-Cu-Ni (pyrite, chalcopyrite et pyrrhotite) sont en proportions moindres.


Le plagioclase est une phase omniprésente en grains subéquants à fortement tabulaires, subidiomorphes à idiomorphes, dont la taille varie de 0,1 à 20 mm (Namur et al., 2010). Dans le gabbro de la partie centrale de l’UMC I à la partie inférieure de l’UMC III, le plagioclase n’est pas zoné et celui-ci définit un fort litage magmatique. Certains grains contiennent des exsolutions abondantes d’oxydes de Fe-Ti en forme d’aiguille. Dans le gabbro, l’olivine a cristallisé sous la forme de petits (0,2 à 4 mm) grains idiomorphes équants à légèrement prismatiques. Quant aux grains d’olivine prismatiques, ils contribuent à mettre en évidence le litage magmatique. Le pyroxène calcique a cristallisé sous la forme de grains prismatiques plus petits (≤5 mm) que dans la troctolite (nPsep3). Ils sont subidiomorphes à idiomorphes, orientés le long du litage magmatique et communément maclés. Ils contiennent des lamelles orientées d’oxydes de Fe-Ti et d’orthopyroxène résultant probablement de processus d’exsolution. Les cœurs de pyroxène calcique contiennent également de nombreux petits feuillets réguliers d’hématite (inclusions de Schiller). L’orthopyroxène prend soit la forme de lamelles minces dans des grains de pyroxène calcique, soit de petits grains xénomorphes. La pigeonite inversée forme des cristaux prismatiques subidiomorphes à idiomorphes dans certaines roches de la zone critique. Les minéraux d’oxydes de Fe-Ti sont représentés par l’ilménite-hématite et la magnétite-ulvöspinel en solution solide. Dans les roches riches en oxydes de Fe-Ti, ces minéraux cristallisent sous la forme de gros grains (≤1 cm), qui sont communément polycristallins et généralement dominés par la magnétite. Les agrégats d’oxydes de Fe-Ti présentent une texture xénomorphe probablement due à la migration subsolidus des bordures de grains. Des grains idiomorphes d’oxydes de Fe-Ti ont été observés localement sous la forme d’inclusions dans les minéraux silicatés. De nombreux grains d’oxydes de Fe-Ti sont bordés d’amphibole brune et de biotite. L’apatite est une phase accessoire dans la majeure partie de la série litée, où elle cristallise sous la forme de petites aiguilles (~50 µm) situées dans la bordure des phases silicatées ou dans les interstices entre elles. Dans deux niveaux de 200 m d’épaisseur, l’apatite est présente sous la forme de grains idiomorphes millimétriques.
Intrusion litée de Sept-Îles 3 (nPsep3) : Troctolite
Comme mentionné dans l’unité nPsep2, la majeure partie de la série litée est constituée de troctolite (nPsep3) et de gabbro (nPsep2) équigranulaires à hétérogranulaires et à grain moyen à grossier (0,1 à 25 mm) (Namur et al., 2010). Le plagioclase, l’olivine, le pyroxène calcique, la magnétite, l’ilménite et l’apatite sont les minéraux les plus abondants, tandis que la pigeonite inversée, l’orthopyroxène, le feldspath potassique, le quartz, la biotite, l’amphibole et les sulfures Fe-Cu-Ni (pyrite, chalcopyrite et pyrrhotite) sont en proportions moindres.





Le plagioclase est une phase omniprésente en grains subéquants à fortement tabulaires, subidiomorphes à idiomorphes et dont la taille varie de 0,1 à 20 mm (Namur et al., 2010). Dans la troctolite de la base de l’unité mégacyclique (UMC) I et du sommet de l’UMC III, le plagioclase se présente sous la forme de gros grains, orientés de manière aléatoire et présentant généralement une zonation normale ou oscillatoire. L’olivine apparaît sous la forme de très gros grains (≤20 mm) subidiomorphes à localement pœcilitiques. Les grains contigus présentent communément des jonctions triples à 120 °. Dans les roches contenant une forte proportion de pyroxène calcique, les gros grains d’olivine sont rares et une grande partie de l’olivine est communément représentée par des textures coronitiques de 50 à 200 µm d’épaisseur autour des grains d’oxydes de Fe-Ti. Le pyroxène calcique est représenté par de très gros grains pœcilitiques (5 à 25 mm) présentant des formes irrégulières. Les oïkocristaux contiennent, en inclusions, de nombreuses lattes de plagioclase idiomorphe, de l’olivine et localement des grains d’oxydes de Fe-Ti. La taille des chadocristaux augmente vers la bordure du grain de pyroxène calcique. L’orthopyroxène a été observé sous la forme de couronnes coronitiques autour de l’olivine dans quelques roches, sous la forme de lamelles minces dans des grains de pyroxène calcique et sous la forme de petits grains xénomorphes. Les minéraux d’oxydes de Fe-Ti sont représentés par l’ilménite-hématite et la magnétite-ulvöspinel en solution solide. Dans la troctolite, les oxydes se présentent sous la forme de petites plages (<1 mm) d’ilménite xénomorphe avec une proportion mineure de magnétite. Les agrégats d’oxydes de Fe-Ti présentent une texture xénomorphe probablement due à la migration subsolidus des bordures de grains. Des grains idiomorphes d’oxydes de Fe-Ti ont été observés localement sous la forme d’inclusions dans les minéraux silicatés. De nombreux grains d’oxydes de Fe-Ti sont bordés d’amphibole brune et de biotite. L’apatite est une phase accessoire dans la majeure partie de la série litée, où elle se cristallise sous la forme de petites aiguilles (~50 µm) situées dans la bordure des phases silicatées ou dans les interstices entre elles.
Intrusion litée de Sept-Îles 4 (nPsep4) : Nelsonite



La nelsonite (roche à magnétite-ilménite-apatite; nPsep4) fait partie de la zone critique (sous-zone de nelsonite) de la série litée définie par Cimon (1998). La sous-zone de nelsonite consiste en strates métriques de nelsonite pouvant être suivies sur 10 m. Elle est surmontée de la sous-zone de gabbro-nelsonite de ~150 m d’épaisseur.
Cimon (1998) a proposé que les roches riches en apatite se trouvent au sommet d’un cycle magmatique, juste avant l’afflux de nouveau magma moins évolué ayant formé la série transitionnelle (nPsep7) (Higgins, 2005). Cependant, les causes expliquant une si grande abondance d’apatite demeurent énigmatiques. Celle-ci ne peut pas être liée à l’afflux de nouveau magma, car celui-ci serait plus chaud et aurait une teneur en phosphore moins élevée. Par conséquent, le phosphore resterait en solution et/ou les apatites déjà cristallisées pourraient se redissoudre dans ce magma plus chaud et sous-saturé en phosphore. De plus, cela n’explique pas pourquoi un niveau à apatite similaire, bien que moins riche, devrait se former près de la base de la série litée.
Selon l’interprétation de Higgins (2005), la zone critique de la série litée ne se situe pas à une discontinuité magmatique produite par l’afflux d’un nouveau magma, mais représente plutôt l’une des dernières parties exposées de l’intrusion à cristalliser. Cela concorde avec la cristallisation fractionnée des feldspaths et des minéraux ferromagnésiens, qui augmente considérablement la concentration en phosphore du magma résiduel. La composition du plagioclase en témoigne : il est moins riche en anorthite que dans les roches sus-jacentes (Cimon, 1998). La zone moins riche en apatite peut représenter une période antérieure de saturation de l’apatite qui a été diluée par un afflux de magma moins évolué.
Intrusion litée de Sept-Îles 5 (nPsep5) : Magnétitite
La sous-zone de magnétitite de Cimon (1998) constitue la base de la zone critique. Elle comprend quatre strates de 1 à 6 m d’épaisseur de magnétitite à plagioclase réparties sur 30 m (Cimon, 1998). Elle est injectée à >50 % de gabbro à olivine et de troctolite massive, de granulométrie fine à moyenne, à texture polygonale et pauvre en apatite et en oxydes.
Intrusion litée de Sept-Îles 6 (nPsep6) : Roches ultramafiques
Des roches ultramafiques sont présentes très localement dans la zone de gabbro-troctolite de la série litée (3 %; Cimon, 1998). Il s’agit principalement de dunite et de wehrlite à magnétite, ilménite et plagioclase. La cristallisation de minéraux ferromagnésiens et leur accumulation dans des chambres magmatiques à grande profondeur peuvent expliquer l’absence probable d’une unité ultramafique plus étendue à la base de l’Intrusion litée de Sept-Îles.
Intrusion litée de Sept-Îles 7 (nPsep7) : Anorthosite, proportions mineures de leucotroctolite et leucogabbro
La série de bordure supérieure ou série transitionnelle (nPsep7), d’une épaisseur de ~100 à 500 m, est constituée d’anorthosite avec des proportions mineures de leucotroctolite et de leucogabbro (Cimon, 1998; Higgins, 2005; Namur et al., 2011). La majeure partie de cette série est cachée sous les eaux de la baie des Sept Îles. Le passage de la série litée sous-jacente (nPsep2 à nPsep6) à la série de bordure supérieure est brusque (Cimon, 1998), et Higgins (2005) a suggéré que cette dernière s’est formée par flottation du plagioclase de la série litée vers le sommet de la chambre magmatique.


La série de bordure supérieure est très différente de la série litée et très hétérogène (Cimon, 1998; Higgins, 2005). Les parties les plus riches en plagioclase possèdent les plus gros cristaux et la plus grande hétérogénéité texturale (Higgins, 2005). Une proportion importante de l’anorthosite est bien foliée (Higgins, 1991, 2005). Des blocs plus ou moins riches en plagioclase sont présents localement et certains blocs contiennent de plus petits blocs (Higgins, 2005). Ces blocs ne ressemblent pas aux autolithes de la série litée parce qu’ils contiennent du plagioclase noir et sont totalement non altérés. Certaines parties de l’anorthosite, foliées et massives, sont imprégnées de syénite ou de granite à texture granophyrique (Higgins, 2005; Namur et al., 2011). Ces faciès à texture granophyrique sont généralement interstitiels au plagioclase, mais peuvent s’accumuler dans des amas fusiformes et des dykes d’échelle centimétrique à décimétrique, tandis que le plagioclase adjacent est fortement zoné avec bordure d’albite.


Les 400 premiers mètres à la base de la série de bordure supérieure sont constitués exclusivement de leucotroctolite massive et grossière à olivine pœcilitique (Cimon, 1998). Le développement de couronnes autour de l’olivine y est important. Ces couronnes sont constituées de trois enveloppes distinctes : une mince couche d’orthopyroxène en petits grains s’est développée en contact avec l’olivine; celle-ci est suivie d’un enchevêtrement de cristaux de hornblende et de biotite; la troisième enveloppe, la plus épaisse, est constituée d’une symplectite de plagioclase/orthopyroxène. Ces couronnes forment un liséré blanchâtre visible à l’œil nu. Les derniers mètres de la série de bordure supérieure ont subi une altération deutérique croissant progressivement vers le sommet. Cette altération est manifestée par le remplacement, à différents degrés, des minéraux ferromagnésiens en carbonate, épidote, chlorite, biotite, hornblende et quartz, alors que le plagioclase est décalcifié progressivement du cœur (An55) vers la bordure (An40). Les interstices entre le plagioclase sont généralement remplis de feldspath potassique et de quartz en intercroissance.
Cimon (1998) a considéré que la série de bordure supérieure (transitionnelle) représentait un deuxième cycle de magmatisme, avec un retour à des compositions minérales moins évoluées que la série litée. Cependant, il est difficile de comprendre pourquoi l’injection d’un tel nouveau magma moins évolué devrait produire des roches à grain aussi grossier et dominées par le plagioclase (Higgins, 2005). Un autre problème est la présence répandue de faciès à texture granophyrique dans l’anorthosite. Cela ne semble pas correspondre à la notion d’un magma moins évolué et plus chaud. De meilleurs candidats pour un magma tardif plus riche en MgO sont des dykes de troctolite à grain fin de quelques centimètres à quelques mètres d’épaisseur qui se sont mis en place dans les parties supérieures de la série litée.
Intrusion litée de Sept-Îles 8 (nPsep8) : Granite et syénite, proportion mineure de monzonite
La série supérieure (nPsep8) est constituée de syénite et de granite ferrifères et métalumineux avec une proportion mineure de monzonite (Higgins et Doig, 1986; Cimon, 1998; Hounsell, 2006; Namur et al., 2011). Les roches sont roses (Hounsel, 2006). Elles affleurent sous la forme de petites coupoles distinctes (~2 km sur 1 km) qui coiffent la partie centrale de l’Intrusion litée de Sept-Îles et représentent ~10 % de l’intrusion entière (Namur et al., 2011). On observe localement des schlierens bien définis soulignant une stratification constituée d’une alternance de couches sombres et de couches quartzo-feldspathiques à l’échelle centimétrique. La série supérieure est coupée par un filon-couche composite de microgabbro-syénite-granite appelé « filon-couche de Pointe du Criard » (nPsep8a) (Higgins, 1990) et par de nombreux filons-couches de microgabbro [dolérite dans le texte original] d’épaisseur centimétrique à décimétrique (nAsep9).


Dans la série supérieure, il existe plusieurs composantes qui présentent des relations de terrain complexes (Cimon, 1998; Higgins, 2005; Hounsel, 2006; Namur et al., 2011). La subdivision la plus évidente distingue les roches felsiques [siliceuses dans le texte original] exemptes d’enclaves magmatiques mafiques (EMM), et les roches felsiques [siliceuses] riches en EMM (≤50 %). La plupart des EMM contiennent des mégacristaux de plagioclase (≤1 cm de longueur) et ressemblent pétrographiquement aux abondants dykes de microgabbro [dolérite] coupant la série supérieure (nAsep9) (Namur et al., 2011). Les enclaves sont invariablement plus finement grenues que les roches felsiques encaissantes. La plupart des EMM sont ovoïdes et mesurent 1 à 10 cm de longueur, mais certaines enclaves sont très allongées, allant jusqu’à >2 m de longueur pour quelques centimètres de largeur. Les EMM se présentent localement sous la forme d’agrégats, formant d’énormes masses à l’échelle métrique ou des essaims ressemblant à des dykes, constitués de coussins mafiques séparés par des veines de matériel felsique. On observe une continuité entre les EMM isolés sous la forme de boudins et les dykes mafiques non déformés par le biais de dykes dissociés constitués d’agrégats de EMM. Les roches dépourvues de EMM se présentent sous la forme de « coussins » homogènes de 2 à 10 m de longueur. Les unités riches en EMM se trouvent entre les coussins.

En coupe verticale, la proportion de coussins diminue drastiquement de la base au sommet (Cimon, 1998; Higgins, 2005; Namur et al., 2011). Ces relations de terrain indiquent que le magma riche en EMM s’est injecté dans le réservoir magmatique en premier (Higgins, 2005). Le magma dépourvu de EMM s’est mis en place dans la chambre magmatique, dans un magma déjà présent, mais avant que celui-ci ne se soit solidifié. L’abondance des enclaves à la base de l’affleurement et leur rareté au sommet suggèrent qu’ils ont coulé et qu’ils se sont accumulés au plancher de la chambre magmatique. Loncarevic et al. (1990) considéraient que les enclaves étaient des fragments de roches volcaniques contemporaines, une sorte d’écume qui flottait à la surface du lac de lave (Higgins, 2005). Cependant, il semble plus raisonnable de supposer qu’ils faisaient partie de la série volcanique de basalte de plateau qui existait avant la mise en place de l’Intrusion litée de Sept-Îles, ou peut-être de fragments de dykes mis en place puis fragmentés, incorporés et transportés par le magma granitique. Avec cette interprétation, la présence d’un immense lac de lave ouvert n’est pas nécessaire. Néanmoins, l’ampleur de l’intrusion et la présence des failles du graben du Saint-Laurent ont probablement fait en sorte que le toit n’était pas un seul bloc rigide. Par conséquent, le magma peut avoir remonté le long des failles jusqu’à la surface.

En lame mince, les roches felsiques de la série supérieure sont à grain moyen (2 à 7 mm) et présentent des textures intergranulaires (Hounsel, 2006; Namur et al., 2011). Le feldspath alcalin, le plagioclase, le quartz et la hornblende sont les principaux minéraux formant la roche, alors que le pyroxène calcique, les oxydes de Fe-Ti, la biotite, l’apatite, le zircon, la titanite, l’allanite, la chlorite et la fluorine sont des phases accessoires. Le feldspath alcalin perthitique est représenté par des grains tabulaires xénomorphes à subidiomorphes dont les proportions modales sont généralement comprises entre 10 et 40 %. Le feldspath alcalin (Ab31An1Or68 à Ab8An0Or92) contient généralement de petites inclusions de plagioclase, de quartz et d’amphibole. Le plagioclase zoné antiperthitique (An25-18) se présente sous la forme de petits grains xénomorphes à légèrement tabulaires avec un mode généralement de <50 %. Les grains de plagioclase renferment généralement des inclusions de minéraux d’oxydes de Fe-Ti et, localement, de pyroxène calcique. Le quartz (10 % modal en moyenne, localement >25 %) se présente sous la forme de petits grains xénomorphes arrondis (0,2 à 3 mm).
Les minéraux ferromagnésiens sont dominés par de l’amphibole (>20 % modal localement) xénomorphe à subidiomorphe de 2 à 3 mm, vert foncé à brune, ferro-édénitique à édénitique à ferrorichtéritique (Hounsel, 2006; Namur et al., 2011). Le nombre magnésien (Mg#) des amphiboles évolue de 54 à 13, et leurs concentrations en F et Cl varient de 0,70 à 2,40 % poids et de 0,05 à 0,32 % poids, respectivement. Certains grains d’amphibole contiennent des noyaux reliques de pyroxène calcique dont le Mg# varie de 51 (Ens25Fs24Wo51) à 29 (Ens18Fs34Wo48). Une faible proportion (<3 %) de biotite rougeâtre subidiomorphe à idiomorphe a été observée par endroits. La fluorine est généralement étroitement associée à la biotite. Les minéraux d’oxydes de Fe-Ti sont représentés par des solutions solides de magnétite-ulvöspinel (Usp17-3) et d’ilménite-hématite (Hem1-0). Ces minéraux se présentent sous la forme de petites taches xénomorphes (<2 mm) dominées par la magnétite. Le zircon montre un habitus prismatique avec des terminaisons à facettes multiples.
Intrusion litée de Sept-Îles 8a (nPsep8a) : Granite, syénite, leucogabbro, microgabbro


La série supérieure (nPsep8) et la série de bordure supérieure (nPsep7) sont coupées par le filon-couche composite nommé « filon-couche de Pointe du Criard » (nPsep8a), dont la géologie a été décrite en détail par Higgins (1990) (Namur et al., 2011). Le filon-couche s’étend sur une zone de 10 km sur 23 km, comprenant toutes les îles de la baie de Sept Îles et la presqu’île Marconi, et son épaisseur peut atteindre 50 m (Higgins, 2005; Namur et al., 2011). Il est composé de trois faciès magmatiques : i) du microgabbro [dolérite/diabase], ii) du leucogabbro et iii) des roches felsiques [siliceuses]. Les bordures figées du filon-couche sont constituées de microgabbro, présentant des contacts à grain fin avec le granite hôte (série supérieure, nPsep8) ou l’anorthosite (série de bordure supérieure, nPsep7). À la base du filon-couche, ce microgabbro a une épaisseur de 0 à 1,6 m et contient localement des mégacristaux de plagioclase dont la proportion augmente vers le haut. Le microgabbro se transforme en un faciès de leucogabbro sur quelques centimètres à quelques décimètres. Ce leucogabbro est d’épaisseur variable, généralement de l’ordre de 0,3 à 10 m, et est composé de grands cristaux de plagioclase. Le faciès felsique constitue généralement la majeure partie du filon-couche. La transition entre le leucograbbro et les roches felsiques, au centre du filon-couche, est graduelle sur quelques centimètres.
Les 1 à 3 m inférieurs des roches felsiques contiennent de nombreuses enclaves magmatiques mafiques (EMM) et des xénolithes de microgabbro [dolérite] et de leucogabbro, en proportions à peu près égales (Higgins, 2005; Namur et al., 2011). Ce contact est très caractéristique et facile à reconnaître sur le terrain (Higgins, 2005). Les rapports largeur/hauteur dans certains cas extrêmes de certaines enclaves (jusqu’à 5 sur 300 cm) suggèrent qu’elles ont été formées par un mélange de magmas mafique et felsique dans un environnement de cisaillement prononcé, probablement dans le conduit.

Les roches felsiques du « filon-couche de Pointe du Criard » présentent des caractéristiques minéralogiques similaires à celles des roches felsiques de la série supérieure (nAsep8) (Hounsel, 2006; Namur et al., 2011). Elles présentent cependant une texture porphyroïde distinctive avec de grands cristaux zonés et arrondis (≤1 cm; 40 à 70 %) de feldspath alcalin (Ab15An0Or85 à Ab9An0Or91) dans une matrice équigranulaire à grain relativement fin (<1 mm). Celle-ci est composée principalement de feldspath alcalin perthitique, avec des lamelles d’exsolution de plagioclase An5-1, d’amphibole (Mg# = 22 à 18), d’oxydes de Fe-Ti (Usp14-3 et Hem1) et de quartz. Localement, des noyaux reliques de pyroxène calcique (Mg# = 30 à 29; Ens16Fs38Wo46 à Ens15Fs38Wo47) sont aussi en inclusions dans la partie centrale des grains d’amphibole.
D’un point de vue géochimique, les roches felsiques de la série supérieure (nPsep8) et du « filon-couche de Pointe du Criard » (nPsep8a) sont principalement de composition peralcaline et ne semblent provenir que d’un seul et même magma (Hounsel, 2006). L’étude des éléments traces a permis de déterminer que ces roches ont été produites par un magmatisme granitique de type A (enrichi en potassium) et qu’elles résultent d’un magmatisme dans un environnement intraplaque. Les analyses isotopiques de strontium ont permis de déterminer que toutes les roches de l’unité nPsep8 proviennent de la même source d’origine mantellique. Il a aussi été possible de relier les données de la série supérieure (nPsep8) et du « filon-couche de Pointe du Criard » (nPsep8a) à la série de bordure supérieure sous-jacente (nPsep7). Ceci suggère donc que les unités felsiques ont le même magma parent que les autres unités de l’Intrusion litée de Sept-Îles et qu’elles résultent d’une cristallisation fractionnée extrême du magma basaltique à l’origine de cette intrusion.
Intrusion litée de Sept-Îles 9 (nPsep9) : Gabbro finement grenu et massif (tardif)
L’unité nPsep9 consiste en nombreux filons-couches de microgabbro [dolérite] d’épaisseur centimétrique à décimétrique coupant la série supérieure (nAsep8) (Higgins, 2005; Namur et al., 2011). L’analyse chimique du microgabbro [dolérite] tardif montre qu’il est très semblable à la bordure figée microgabbroïque du « filon-couche de Pointe du Criard » (nAsep8a) (Hounsel, 2003; Higgins, 2005).
Épaisseur et distribution
L’Intrusion litée de Sept-Îles est située sur la rive nord du golfe du Saint-Laurent, à proximité de la ville de Sept-Îles (partie nord du feuillet 22J01, coin NE du feuillet 22J02, coin SE du feuillet 22J07 et partie sud du feuillet 22J08). Il s’agit d’un lopolite ayant la forme d’une assiette et d’un diamètre de ~80 km, une épaisseur maximale de ~6 km et un volume de magma estimé à ~20 000 km³ (Loncarevic et al., 1990) (Namur et al., 2011). La majeure partie de l’intrusion est cachée sous les eaux du golfe du Saint-Laurent et les roches sédimentaires paléozoïques qui la recouvrent. La partie NW de l’intrusion affleure autour de la baie des Sept Îles et sur les îles de l’archipel des Sept Îles.
Datation
Différentes roches felsiques de l’Intrusion litée de Sept-Îles ont d’abord été datées par la méthode Rb-Sr sur roche totale et ont donné des âges généralement imprécis allant de 505 à 610 Ma (Higgins et Doig, 1981). Puis, la datation Pb-Pb sur zircons d’un amas fusiforme de roche felsique à texture granophyrique a donné un âge de cristallisation beaucoup plus précis de 565 ±4 Ma (Higgins et van Breemen, 1998).
| Unité | Échantillon | Système isotopique | Minéral/matériel | Âge de cristallisation (Ma) | (+) | (-) | Référence(s) |
| nPsep3 | MH-87-22 | Pb-Pb | Zircon | 565 | 4 | 4 | Higgins et van Breemen, 1998 |
| nPsep4? | Riviere d.Rapides | Rb-Sr | Roche totale | 544 | 39 | 39 | Higgins et Doig, 1981 |
| nPsep7 | Point Noire acid-seg | Rb-Sr | Roche totale | 535 | 11 | 11 | Higgins et Doig, 1981 |
| nPsep7 | I.Petite Basque m-di | Rb-Sr | Roche totale | 586 | 24 | 24 | Higgins et Doig, 1981 |
| nPsep8 | Ile Manowin gr | Rb-Sr | Roche totale | 540 | 7 | 7 | Higgins et Doig, 1981 |
| nPsep8 | Ile Carousel sy | Rb-Sr | Roche totale | 540 | 27 | 27 | Higgins et Doig, 1981 |
| nPsep8 | I.Grande Basque dyke | Rb-Sr | Roche ttale | 579 | 21 | 21 | Higgins et Doig, 1981 |
Relations stratigraphiques
L’Intrusion litée de Sept-Îles est non métamorphisée et non déformée et a été mise en place dans les gneiss de haut grade métamorphique de la Province de Grenville (Rivers, 2008; Namur et al., 2011). Elle appartient à une phase magmatique étendue liée à la formation du système de rift du Saint-Laurent et correspondant aux premières étapes de l’ouverture de l’océan Iapetus (Higgins et van Breemen, 1998). Higgins (2005) a suggéré que l’activité ignée dans la région de Sept-Îles a commencé par l’éruption de basaltes en plateau, désormais complètement érodés, et que l’intrusion a été mise en place à l’interface ou à la discordance entre la surface du Bouclier canadien et les basaltes en plateau sus-jacents. Le modèle de mise en place, la séquence de cristallisation et les processus de différenciation de la chambre magmatique de l’Intrusion litée de Sept-Îles sont décrits en détail dans les travaux de Higgins (2005) et de Namur et al. (2010, 2011).
Le passage de la série inférieure à la série litée (nPsep2 à npsep6) est progressif (Cimon, 1998). Ces deux séries constituent ensemble un premier cycle magmatique. Le passage de la série litée à la série de bordure supérieure (nPsep7) est brusque et marque une discordance magmatique majeure. La forte anomalie magnétique arquée située dans le tiers inférieur de la série transitionnelle est probablement attribuable à la présence d’unités stratiformes résultant d’un processus de différenciation et marquant vraisemblablement la fin d’un second cycle magmatique.
Paléontologie
Ne s’applique pas.
Références
Publications accessibles dans SIGÉOM Examine
ANDERSON, A.T., 1963. PORT-CARTIER AREA. MRN; DP 171, 23 pages, 4 plans.
BILODEAU, C., GOBEIL, A., 2000a. Compilation géologique 1/50 000, 22J02 − CALRKE CITY. In: MRNF, 2010. CARTE(S) GÉOLOGIQUE(S) DU SIGÉOM – feuillet 22J. CG SIGEOM22J, 16 plans.
BILODEAU, C., GOBEIL, A., 2000b. Compilation géologique 1/50 000, 22J07 − LAC ASQUICHE. In: MRNF, 2010. CARTE(S) GÉOLOGIQUE(S) DU SIGÉOM – feuillet 22J. CG SIGEOM22J, 16 plans.
BILODEAU, C., GOBEIL, A., 2000c. Compilation géologique 1/50 000, 22J08 − LAC DES RAPIDES. In: MRNF, 2010. CARTE(S) GÉOLOGIQUE(S) DU SIGÉOM – feuillet 22J. CG SIGEOM22J, 16 plans.
CIMON, J., 1995. Le Complexe de Sept-Îles mérite-t-il une place parmi les principales intrusions mafique dans le monde. In: La science au service de l’exploration; ministère des Ressources naturelles, Québec; DV 95-04, page 9.
CIMON, J., 1998. L’unité à apatite de Rivière des Rapides, Complexe de Sept-Îles : localisation stratigraphique et facteurs à l’origine de sa formation. In: CIMON, J., DION, D.-J., AUTHIER, K., FENINGER, T., 1998. LE COMPLEXE DE SEPT-ÎLES. MRN; ET 97-05, 42 pages.
FAESSLER, C.W., 1945. MOISIE AREA, SAGUENAY COUNTY. MRN; RG 021(A), 18 pages, 1 plan.
FAESSLER, C.W., 1945. RÉGION DE MOISIE, COMTÉ DE SAGUENAY. MRN; RG 021, 19 pages, 1 plan.
NACSN, 1986. CODE STRATIGRAPHIQUE NORD-AMÉRICAIN. MERN. DV 86-02, 76 pages.
NADEAU, J., PERREAULT, S., 1998. Compilation géologique 1/50 000, 22J01 − SEPT-ÎLES. In: MRNF, 2010. CARTE(S) GÉOLOGIQUE(S) DU SIGEOM – feuillet 22J. CG SIGEOM22J, 16 plans.
Autres publications
HIGGINS, M.D., 1990. A three-component composite dyke and its associated intrusion, Pointe du Criard, Quebec, Canada. In: Mafic Dykes and Emplacement Mechanism (Parker, A.J., Rickwood, P.C. and Tucker, D.H. (éditors). Rotterdam, Balkema, pages 63-68.
HIGGINS, M.D., 1991. The origin of laminated and massive anorthosite, Sept Iles intrusion, Québec, Canada. Contributions to Mineralogy and Petrology; Vol. 106, p. 340-354. https://doi.org/10.1007/BF00324562
HIGGINS, M.D., 2005. A new interpretation of the structure of the Sept Iles Intrusive Suite, Canada. Lithos; Vol. 83, p. 199-213. https://doi.org/10.1016/j.lithos.2005.03.002
HIGGINS, M.D., DOIG, R., 1981. The Sept Iles anorthosite complex: field relationships, geochronology, and petrology. Canadian Journal of Earth Sciences; Vol. 18, p. 561-573. https://doi.org/10.1139/e81-04
HIGGINS, M.D., DOIG, R., 1986. Geochemical constraints on the differentiation processes that were active in the Sept Iles complex. Canadian Journal of Earth Sciences; Vol. 25, p. 670-681. https://doi.org/10.1139/e86-067
HIGGINS, M.D., VAN BREEMEN, O., 1998. The Age of the Sept Iles Layered Mafic Intrusion, Canada: implications for the Late Neoproterozoic/Cambrian History of Southeastern Canada. Journal of Geology; Vol. 106, p. 421-431. https://doi.org/10.1086/516033
HOUNSEL, V., 2003. Géochimie des dykes mafiques et composés de la suite intrusive de Sept-Îles, Québec. Projet de fin d’études; Université du Québec à Chicoutimi (UQAC), Chicoutimi, Québec, Canada, 49 pages.
HOUNSEL, V., 2006. Géochimie des dykes mafiques et composés de la suite intrusive de Sept-Îles, Québec. Mémoire de maîtrise; Université du Québec à Chicoutimi (UQAC), Chicoutimi, Québec, Canada, 190 pages. https://constellation.uqac.ca/id/eprint/522/1/24608324.pdf
LONCAREVIC, B.D., FEININGER, T., LEFEBVRE, D., 1990. The Sept-Iles layered mafic intrusion: geophysical expression. Canadian Journal of Earth Sciences; Vol. 27, p. 501-512. https://doi.org/10.1139/e90-046
NAMUR, O., CHARLIER, B., TOPLIS, M.J., HIGGINS, M.D., HOUNSELL, V., LIÉGEOIS, J.-P., VANDER AUWERA, J., 2011. Differentiation of Tholeiitic Basalt to A-Type Granite in the Sept-Iles Layered Intrusion, Canada. Journal of Petrology; Vol. 52, p. 487-539. https://doi.org/10.1093/petrology/egq088
NAMUR, O., CHARLIER, B., TOPLIS, M.J., HIGGINS, M.D., LIÉGEOIS, J.-P., VANDER AUWERA, J., 2010. Crystallization Sequence and Magma Chamber Processesin the Ferrobasaltic Sept Iles Layered Intrusion, Canada. Journal of Petrology; Vol. 51, p. 1203-1236. https://doi.org/10.1093/petrology/egq016
NORTH AMERICAN COMMISSION ON STRATIGRAPHIC NOMENCLATURE (NACSN), 1983. North American Stratigraphic Code. American Association of Petroleum Geologists Bulletin; Vol. 67, p. 841-875. http://archives.datapages.com/data/bulletns/1982-83/data/pg/0067/0005/0800/0841.htm
NORTH AMERICAN COMMISSION ON STRATIGRAPHIC NOMENCLATURE (NACSN), 2005. North American Stratigraphic Code. American Association of Petroleum Geologists Bulletin; Vol. 89, p. 1547-1591. http://dx.doi.org/10.1306/07050504129
NORTH AMERICAN COMMISSION ON STRATIGRAPHIC NOMENCLATURE (NACSN), 2021. North American Stratigraphic Code. Stratigraphy; Vol. 18, p. 153-204. https://ngmdb.usgs.gov/Geolex/resources/docs/NACSN_Code_2021.pdf
NORTH AMERICAN COMMISSION ON STRATIGRAPHIC NOMENCLATURE (NACSN), 2025. Code stratigraphique d’Amérique du Nord. Geoscience Canada; Vol. 52, p. 1-48. https://doi.org/10.12789/geocanj.2025.52.220
RIVERS, T., 2008. Assembly and preservation of lower, mid, and upper orogenic crust in the Grenville Province: implications for the evolution of large hot long-duration orogens. Precambrian Research; Vol. 167, p. 237-259. https://doi.org/10.1016/j.precamres.2008.08.005
Citation suggérée
Ministère des Ressources naturelles et des Forêts (MRNF). Intrusion litée de Sept-Îles. Lexique stratigraphique du Québec. https://gq.mines.gouv.qc.ca/lexique-stratigraphique/province-de-grenville/intrusion-litee-de-sept-iles [cité le jour mois année].
Collaborateurs
|
Première publication |
Céline Dupuis, géo., Ph. D. celine.dupuis@mrnf.gouv.qc.ca (rédaction) Philippe Pagé, géo., Ph. D. (coordination); Charles St-Hilaire, géo., M. Sc. (lecture critique); Simon Auclair, géo., M. Sc. (révision linguistique); André Tremblay (montage HTML). |
